Strukturella fördelar och egenskaper
1. Produkten är designad och tillverkad enligt nationell standard GB 12235, med rimlig struktur, pålitlig tätning, prestanda och vacker form.
2. Klaffventil, ventilsätets tätningsyta av järnbaserad aly eller satellit (elie) gjord av koboltbaserad legeringssvetsning, slitstark, hög temperatur, korrosion, antinötningsprestanda, lång livslängd.
3. Stjälken släckt och kvävebehandlingen med god motståndskraft mot korrosion och reptålighet.
4. Kan användas med en mängd olika standardrörflänsar och flänstätningsytor för att möta olika projektbehov och användarkrav.
5. Variation av kroppsmaterial, packning och packning kan baseras på faktiska arbetsförhållanden eller så begär användaren ett rimligt alternativ och kan appliceras med alla typer av tryck, temperaturer och mediumförhållanden.
6. Tätad med skruvförband försegla baksätet eller kroppen gjord av rostfritt stål svetsning, tätning och tillförlitligt byte av fling på ett nonstop bekvämt och effektivt sätt påverkar inte systemets funktion.
Standarder och normer
| Design och tillverkning | Strukturens längd | Trycktemperaturklassificering | Anslutningsfläns | Test och inspektion |
| GB 12235 | GB 12221 | GB 12224 | JB/T 79/82~1994 GB 9113 HG 20592-20635 | JB/T 9092-1999 GB 13927 |
Huvudkomponenter material
| Namn | Material | ||||||||
| Kropp/huv | CF8 | CF3 | CF8M | CF3M | WCB | LCB | WC6 | WC9 | C5 |
| Kil | CF8 | CF3 | CF8M | CF3M | WCB | LCB | WC6 | WC9 | C5 |
| Stam | F304 | F304L | F316 | F316L | 2CR13 | F304 | F304 | F304 | F304 |
| Stam Nut | Aluminium brons | ||||||||
| Packning | PTFE/Flexibel grafit | Grafit | |||||||
| Packning | Omslagsmatta av PTFE/metall | Grafit | |||||||
| Körtel | CF8 | CF3 | CF8M | CF3M | WCB | LCB | WC6 | WC9 | C5 |
| Bolt | 35CrMoA | ||||||||
| Mutter | Rostfritt stål | 45,35CrMoA | |||||||
| Handratt | Rostfritt stål Cast Steel | ||||||||
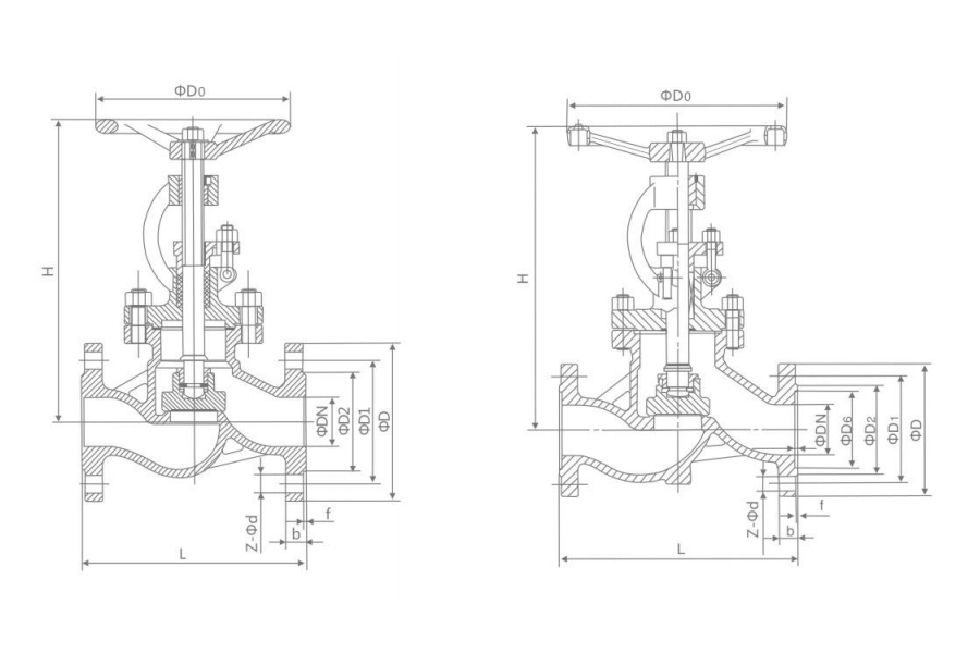
Huvudsaklig ytter- och anslutningsdimension
| PN(MPa) | DN(mm) | Storlek (mm) | Elektrisk enhet modell | Väggtjocklek | |||||||||
| L | D | D1 | D2 | D6 | b-f | f2 | Z-Φd | H | D0 | ||||
| 1.6 | 10 | 130 | 90 | 60 | 40 | 16-2 | 4-φ14 | 198 | 120 | 6.4 | |||
| 15 | 130 | 95 | 65 | 45 | 16-2 | 4-φ14 | 218 | 120 | 6.4 | ||||
| 20 | 150 | 105 | 75 | 55 | 18-2 | 4-φ14 | 230 | 140 | 6.4 | ||||
| 25 | 160 | 115 | 85 | 65 | 18-2 | 4-φ14 | 240 | 160 | 6.4 | ||||
| 32 | 180 | 140 | 100 | 78 | 18-2 | 4-φ18 | 250 | 180 | 6.4 | ||||
| 40 | 200 | 150 | 110 | 85 | 18-3 | 4-φ18 | 262 | 200 | 6.4 | ||||
| 50 | 230 | 165 | 125 | 100 | 18-3 | 4-φ18 | 280 | 240 | DZW10A | 7.9 | |||
| 65 | 290 | 185 | 145 | 120 | 18-3 | 8-φ18 | 327 | 280 | DZW10A | 11 | |||
| 80 | 310 | 200 | 160 | 135 | 20-3 | 8-φ18 | 355 | 280 | DZW10A | 11.5 | |||
| 100 | 350 | 220 | 180 | 155 | 20-3 | 8-φ18 | 415 | 320 | DZW15A | 12.5 | |||
| 125 | 400 | 250 | 210 | 185 | 22-3 | 8-φ18 | 460 | 360 | DZW20A | 13 | |||
| 150 | 480 | 285 | 240 | 210 | 22-3 | 8-φ22 | 510 | 400 | DZW30A | 13.5 | |||
| 200 | 600 | 340 | 295 | 265 | 24-3 | 12-φ22 | 588 | 400 | DZW45A | 15 | |||
| 250 | 650 | 405 | 355 | 320 | 26-3 | 12-φ26 | 725 | 450 | DZW60A | 16 | |||
| 300 | 750 | 460 | 410 | 375 | 28-4 | 12-φ26 | 925 | 500 | DZW90 | 18 | |||
| 350 | 850 | 520 | 470 | 435 | 30-4 | 16-φ26 | 1030 | 600 | DZW120 | 19 | |||
| 400 | 950 | 580 | 525 | 485 | 32-4 | 16-φ30 | 1170 | 700 | DZW180 | 21 | |||
| 450 | 1050 | 640 | 585 | 545 | 40-4 | 20-φ30 | 1220 | 800 | DZW180 | 21.5 | |||
| 500 | 1150 | 715 | 650 | 608 | 44-4 | 20-φ33 | 1410 | 900 | DZW250 | 22 | |||
| 600 | 1350 | 840 | 770 | 718 | 54-5 | 20-φ36 | 1610 | 1000 | DZW350 | 25 | |||
OM Changshui
Changshui Technology Group Co., Ltd.is a valve integrating R&D, manufacturing, sales and service The manufacturer is currently one of the main suppliers of general-purpose valves in China. The main products are: gate valves, globe valves, butterfly valves, ball valves, check valves, regulating valves, pressure reducing valves, diaphragm valves, plug valves, plunger valves, drains Valves, hydraulic control valves, etc. Högkvalitativa produkter har hyllats och respekterats av användare i olika branscher och används i stor utsträckning inom konstruktion, värme, vattenförsörjning, petroleum, kemi, elkraft och andra industrier! Syftet med företaget är att bidra till samhället med högkvalitativa produkter. "Vårt mål är att göra användarna nöjda". Vår kvalitetspolicy är: "Möt användarnas behov och förväntningar på produktkvalitet och språng framåt Förstklassig kvalitetsledningsnivå, tillverkning av förstklassiga produkter, skapande av förstklassiga tjänster,"CSHUValve Industry har Företaget är villigt att arbeta med nya och gamla vänner, och kollegor i samhället, och användare hemma och utomlands för att gå ihop händerna igen, och Floor, skapa ny glans!
Introduktion till fjärilsventilkomponenter En fjärilsventil är en mångsidig och allmänt använd ventiltyp i olika industrier, känd för sin kompak...
READ MOREVanliga problem med grindventiler Grindventiler är viktiga komponenter i olika industri- och bostadssystem, vilket ger ett tillförlitligt sätt a...
READ MOREFörstå backventiler En backventil är en mekanisk anordning som tillåter vätska eller gas att flöda i endast en riktning. Dess primära funktion ä...
READ MORE1. Översikt av segjärngjutna Duktilt gjutjärn, även känt som nodulärt gjutjärn eller sfäroidalt grafitjärn, är en typ av gjutjärn som känneteckn...
READ MORE1. Förstå ventiler och säten Ventiler och säten är viktiga komponenter för att kontrollera flödet av vätskor eller gaser i rörledningar, motorer...
READ MORE